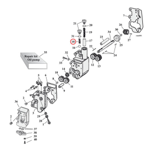
10. A) Moottori -alapää
961318
NOKKA-AKSELIN NEULAAKERIT JIMS (2KPL) LOHKO TC 2006-UP FXD 2007-UP BT
54.19 €
43.18 € alv. 0%