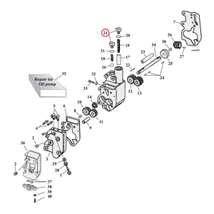
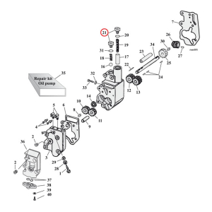
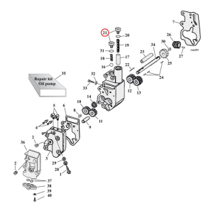
927023
GARDNER-WESTCOTT, ALLEN PLUG OIL SCREEN CRANKCASE CHROME ALLENHEAD (SO
17.76 €
14.15 € alv. 0%