929996
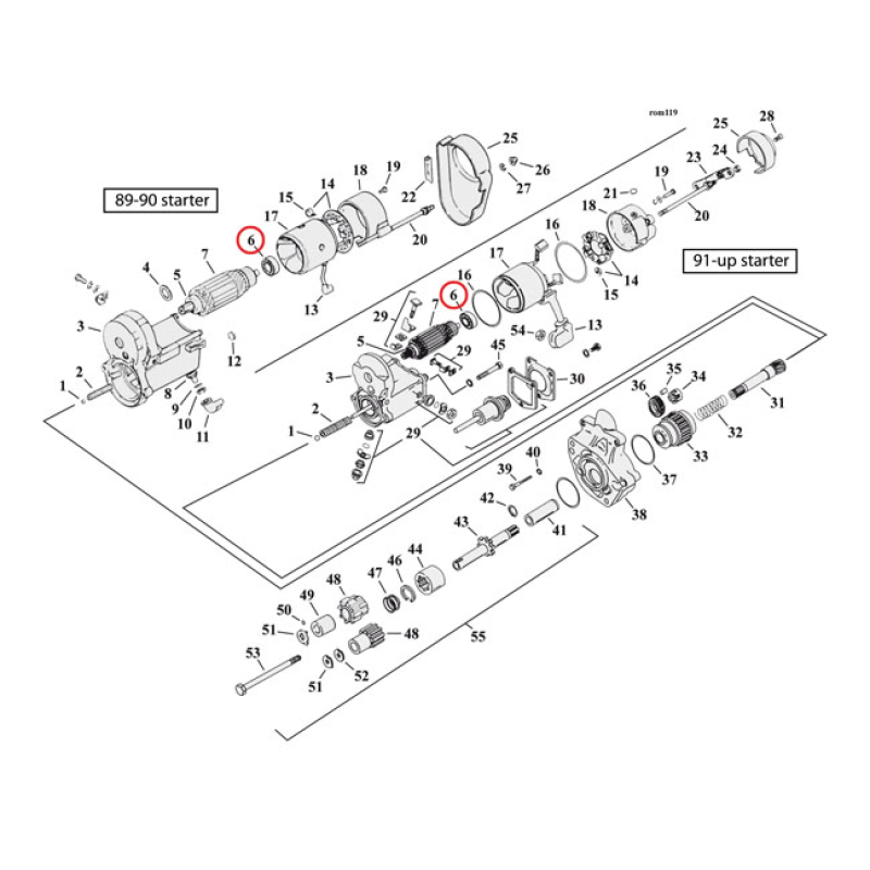
BALL BEARING, STARTER MOTOR COMMUTATOR (OUTER) END 1 USED.
Toimitusaika: Tilaustuote. Saatavuus ja toimitusaika riippuu toimittajan varastotilanteesta. Tarkemman toimitusajan saat soittamalla 0103273180
Loimaa
Turku
14.55 €
11.59 € alv. 0%
- Nopea toimitus paketeille ympäri Suomen
- Monipuolinen sekä turvallinen maksutapahtuma
- Vankka kokemus ajoneuvoista
- Palveleva konetalo Loimaalla ja Turussa
