920358
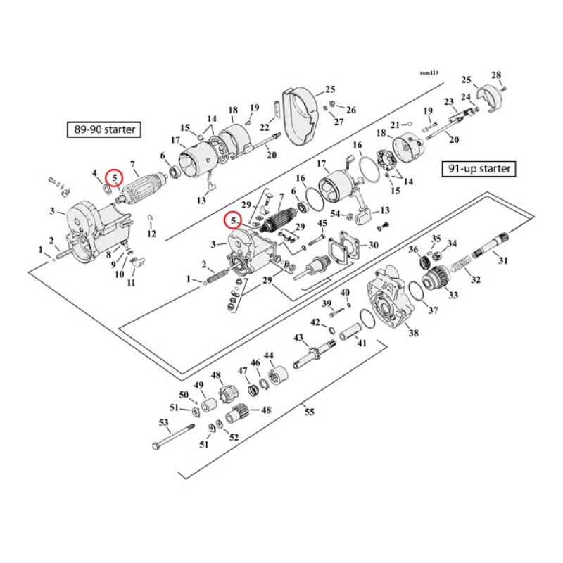
BALL BEARING, STARTER MOTOR GEAR (INNER) END 1 USED.
Toimitusaika: Tilaustuote. Saatavuus ja toimitusaika riippuu toimittajan varastotilanteesta. Tarkemman toimitusajan saat soittamalla 0103273180
Vastaava tuote hyllyssä, soita tai laita sähköpostia.
11.36 €
9.05 € alv. 0%
- Nopea toimitus paketeille ympäri Suomen
- Monipuolinen sekä turvallinen maksutapahtuma
- Vankka kokemus ajoneuvoista
- Palveleva konetalo Loimaalla ja Turussa
