561347
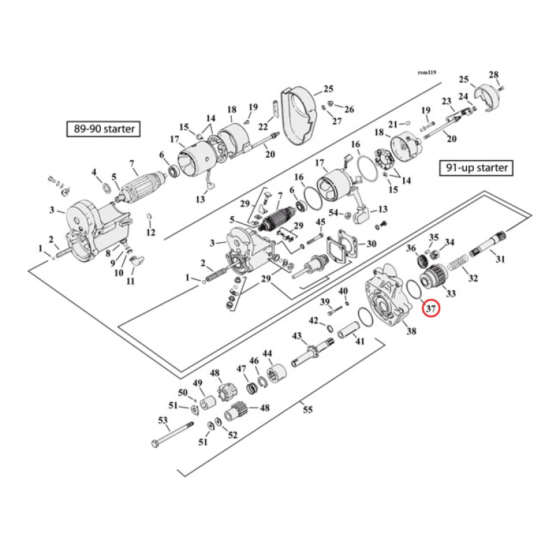
COMETIC, O-RING STARTER HOUSING OEM REPLACEMENT REFERENCE 11116.
Toimitusaika: Tilaustuote. Saatavuus ja toimitusaika riippuu toimittajan varastotilanteesta. Tarkemman toimitusajan saat soittamalla 0103273180
Loimaa
Turku
0.40 €
0.32 € alv. 0%
- Nopea toimitus paketeille ympäri Suomen
- Monipuolinen sekä turvallinen maksutapahtuma
- Vankka kokemus ajoneuvoista
- Palveleva konetalo Loimaalla ja Turussa
