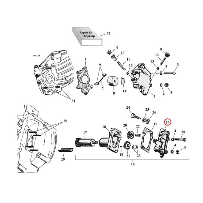
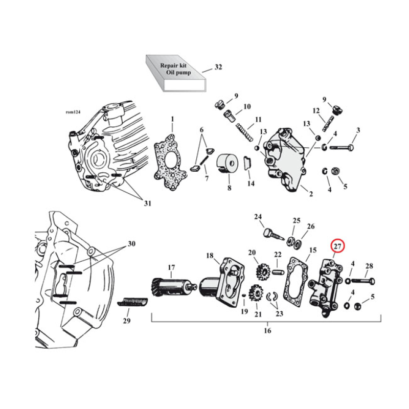
971239
COVER, SCAVENGER PUMP
Toimitusaika: Tilaustuote. Saatavuus ja toimitusaika riippuu toimittajan varastotilanteesta. Tarkemman toimitusajan saat soittamalla 0103273180
Loimaa
Turku
67.98 €
54.17 € alv. 0%
- Nopea toimitus paketeille ympäri Suomen
- Monipuolinen sekä turvallinen maksutapahtuma
- Vankka kokemus ajoneuvoista
- Palveleva konetalo Loimaalla ja Turussa
