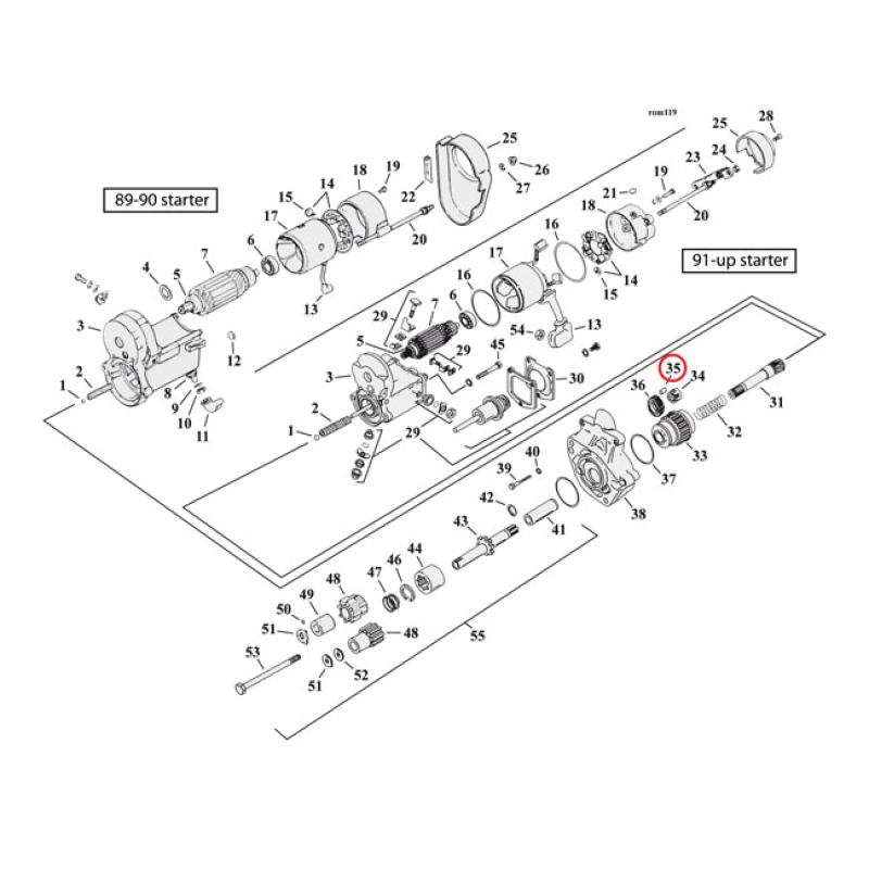
969077
ROLLER, TRANSM & STARTER MOTOR CLUTCH
Toimitusaika: Tilaustuote. Saatavuus ja toimitusaika riippuu toimittajan varastotilanteesta. Tarkemman toimitusajan saat soittamalla 0103273180
Vastaava tuote hyllyssä, soita tai laita sähköpostia.
0.38 €
0.30 € alv. 0%
- Nopea toimitus paketeille ympäri Suomen
- Monipuolinen sekä turvallinen maksutapahtuma
- Vankka kokemus ajoneuvoista
- Palveleva konetalo Loimaalla ja Turussa
